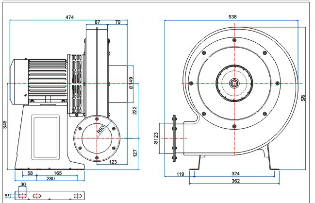
Chi tiết
Quạt TORBO TBS-S3245S, S3245T
Loại:
Quạt sò Innotech-Việt Nam
Mô tả sản phẩm:
Giá:
19,400,000 VNĐ
THÔNG SỐ KỸ THUẬT
|
Sản phẩm
|
Dòng điện (A)
|
Điện áp (∮/V/Hz)
|
Số cực (P)
|
Công suất(W)
|
Lưu lượng gió (㎥/h)
|
Thủy tỉnh (mmAq)
|
Tốc độ(rpm)
|
Độ ồn (dB)
|
Trọng lượng (Kg)
|
Giá thành
|
|
TBS-S3245S
|
7.0
|
1/220/60
|
2
|
1,800
|
2,400
|
285
|
3,460
|
87
|
41.0
|
19,400,000 |
|
5.7
|
1/220/50
|
1,540
|
2,100
|
210
|
2,920
|
|
TBS-S3245T
|
5.1/2.7
|
3/220-380/60
|
2
|
1,800
|
2,400
|
285
|
3,460
|
87
|
41.0
|
18,200,000 |
